Затискач для кронштейна 2056 N-опора, 1-складний, пластиковий притискний жолоб; FT

Арт. № 1187244 | EAN 4012196852956

Опис продукту
Опис продукту
Скоба з N-подібною ніжкою, з пластиковою притискною пластиною з поліпропілену. Для вертикального й горизонтального монтажу 1 одинарного кабелю на С-подібній профільній шині. Для ширини отворів 11–12 мм. З однозахідним гвинтом на гідробаку, універсальним гвинтом із шестигранною головкою SW10, зі звичайним та хрестоподібним розрізом. Підходить для монтажу всередині та зовні приміщень. Рекомендується використовувати зустрічний ванноподібний притиск.
  • Спілка електротехників, фахівців з електроники та інформаційної техніки (e.V.), Німеччина
  • без галогену; без хлору, фтору та брому
  • Communautés Européennes, сертифікат відповідності ЄС згідно директиви ЄС
  • Декларація про відповідність UKCA
  • Ширина отворів 11-12 мм
  • Затискна скоба для С-подібної профільної рейки із шириною шліца 11–12 мм
  • Углеродный след (PCF)
  • Упаковка без пластмассы
  • Упаковка полностью из переработанного картона
Технічні дані

Технічні дані

Із ванноподібним застискачем ні
Вид монтажу Профільна рейка
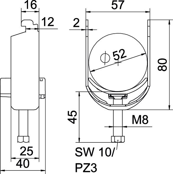
Висота 80 mm
Вуглецевий слід CO2 (GWP) від колиски до воріт 0,2183 кг CO2e / 1 Шт.
Для труб із мін. діаметром 46 mm
Для труб із макс. діаметром 52 mm
для шини з мін. шириною шлица (з інтервалами) 11 mm
для шини з макс. шириною шлица (з інтервалами) 12 mm
Довжина 25 mm
Довжина, зовнішній розмір 40 mm
Додаткова поверхня гаряче оцинкування
Додатковий матеріал Сталь
З пластиковою пластиною так
Кількість кабелів/труб 1
Мін. діапазон затискування D 46 mm
Макс. діапазон затискування D 52 mm
Макс. Момент затягування 5 Nm
Матеріал Сталь
Матеріал ванни Пластик
Не містить галогенів так
Покриття гарячецинкований
Різьба M8
Розмір 46-52mm
Розмір A 25 mm
Розмір B 57 mm
Розмір C 40 mm
Розмір G (мм) M8
Розмір H 80 mm
Розмір L 45 mm
Розмір t 2 mm
Товщина 2 mm
Ширина 57 mm
Ширина отворів 10 mm
Якість матеріалу ванни Поліпропілен
Усі типи

Усі типи

Тип Мін. діапазон затискування D Макс. діапазон затискування D Макс. Момент затягування Арт. № Кількість мін. тов. од.
BS-N1-K-12 FT 8 mm 12 mm 3 Nm 1187202
1 Штука
BS-N1-K-16 FT 12 mm 16 mm 3 Nm 1187208
1 Штука
BS-N1-K-22 FT 16 mm 22 mm 3 Nm 1187214
1 Штука
BS-N1-K-28 FT 22 mm 28 mm 3 Nm 1187220
1 Штука
BS-N1-K-34 FT 28 mm 34 mm 3 Nm 1187226
1 Штука
BS-N1-K-40 FT 34 mm 40 mm 3 Nm 1187232
1 Штука
BS-N1-K-46 FT 40 mm 46 mm 5 Nm 1187238
1 Штука
BS-N1-K-52 FT 46 mm 52 mm 5 Nm 1187244
1 Штука
BS-N1-K-58 FT 52 mm 58 mm 5 Nm 1187250
1 Штука
BS-N1-K-64 FT 58 mm 64 mm 5 Nm 1187256
1 Штука
BS-N1-K-70 FT 64 mm 70 mm 5 Nm 1187262
1 Штука
Завантаження

Технічний паспорт BS-N1-K-52 FT / 1187244 , 0.19MB , pdf
Завантажити

Завантажити

Декларація відповідності ЄС BS-N1-K-52 FT / 1187244 , 0.10MB , pdf
Завантажити
Декларація відповідності UK BS-N1-K-52 FT / 1187244 , 0.09MB , pdf
REACH Декларація про відповідність BS-N1-K-52 FT / 1187244 , 0.12MB , pdf
RoHS Декларація про відповідність BS-N1-K-52 FT / 1187244 , 0.12MB , pdf

Дозвіл на використання відповідних символів Дозвіл на використання відповідних символів , 0.35MB , pdf

BS-N1-K-52 FT / 1187244
Завантажити