Затискна скоба, 2056 H-опора, кількість місць: 1, з металевою притискною пластиною FT

Арт. № 1186082 | EAN 4012196848812

Опис продукту
Опис продукту
Скоба з Т-подібною ніжкою, металева притискна пластина із закругленими краями для захисту кабелю. Для вертикального й горизонтального монтажу 1 одинарного кабелю на С-подібній профільній шині. Для ширини отворів 16–17 мм. З однозахідним гвинтом на гідробаку, універсальним гвинтом із шестигранною головкою SW10, зі звичайним та хрестоподібним розрізом. Підходить для монтажу всередині та зовні приміщень. Зустрічний ванноподібний притиск замовляється окремо.
  • Спілка електротехників, фахівців з електроники та інформаційної техніки (e.V.), Німеччина
  • Communautés Européennes, сертифікат відповідності ЄС згідно директиви ЄС
  • Декларація про відповідність UKCA
  • Ширина отворів 16-17 мм
  • Затискна скоба для С-подібної профільної шини із шириною отворів 16-17 мм
  • Клас збереження функціональності E30
  • Клас вогнестійкості E 60
  • Клас збереження функціональності E90
  • Викиди CO₂ (PCF)
  • Пакування без пластику
  • Packaging made entirely from recycled cardboard
Технічні дані

Технічні дані

Із ванноподібним застискачем ні
Вид монтажу Профільна рейка
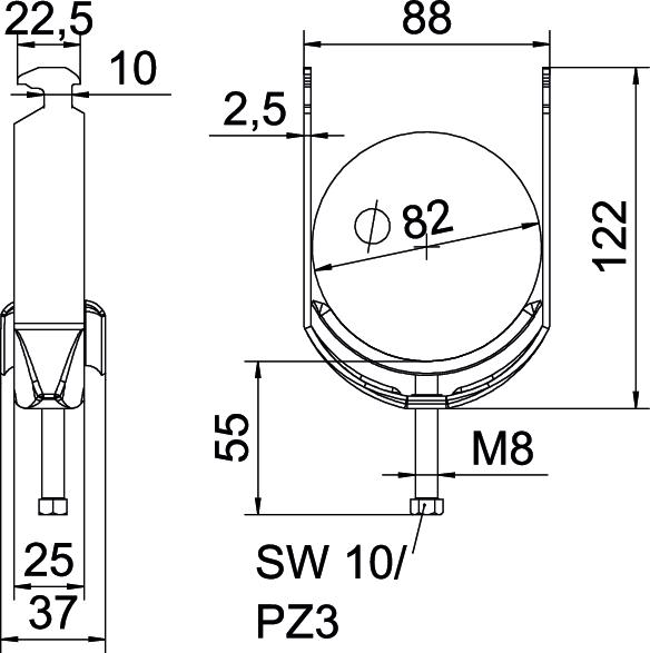
Висота 122 mm
Вуглецевий слід CO2 (GWP) від колиски до воріт 0,5519 кг CO2e / 1 Шт.
Для труб із мін. діаметром 76 mm
Для труб із макс. діаметром 82 mm
для шини з мін. шириною шлица (з інтервалами) 16 mm
для шини з макс. шириною шлица (з інтервалами) 17 mm
Довжина 25 mm
Довжина, зовнішній розмір 37 mm
Додаткова поверхня гаряче оцинкування
Додатковий матеріал Сталь
З металевою пластиною так
З пластиковою пластиною ні
Збереження функцій так
Кількість кабелів/труб 1
Мін. діапазон затискування D 76 mm
Макс. діапазон затискування D 82 mm
Макс. Момент затягування 5 Nm
Матеріал Сталь
Матеріал ванни Сталь
Не містить галогенів так
Покриття гарячецинкований
Різьба M8
Розмір 76-82mm
Розмір A 25 mm
Розмір B 88 mm
Розмір C 37 mm
Розмір G (мм) M8
Розмір H 122 mm
Розмір L 55 mm
Розмір t 2,5 mm
Товщина 2,5 mm
Ширина 88 mm
Ширина отворів 10 mm
Усі типи

Усі типи

Тип Мін. діапазон затискування D Макс. діапазон затискування D Макс. Момент затягування Арт. № Кількість мін. тов. од.
BS-H1-M-12 FT 8 mm 12 mm 3 Nm 1186002
1 Штука
BS-H1-M-16 FT 12 mm 16 mm 3 Nm 1186009
1 Штука
BS-H1-M-22 FT 16 mm 22 mm 3 Nm 1186016
1 Штука
BS-H1-M-28 FT 22 mm 28 mm 3 Nm 1186022
1 Штука
BS-H1-M-34 FT 28 mm 34 mm 3 Nm 1186029
1 Штука
BS-H1-M-40 FT 34 mm 40 mm 3 Nm 1186036
1 Штука
BS-H1-M-46 FT 40 mm 46 mm 5 Nm 1186042
1 Штука
BS-H1-M-52 FT 46 mm 52 mm 5 Nm 1186049
1 Штука
BS-H1-M-58 FT 52 mm 58 mm 5 Nm 1186056
1 Штука
BS-H1-M-64 FT 58 mm 64 mm 5 Nm 1186062
1 Штука
BS-H1-M-70 FT 64 mm 70 mm 5 Nm 1186069
1 Штука
BS-H1-M-76 FT 70 mm 76 mm 5 Nm 1186076
1 Штука
BS-H1-M-82 FT 76 mm 82 mm 5 Nm 1186082
1 Штука
BS-H1-M-90 FT 82 mm 90 mm 5 Nm 1186089
1 Штука
BS-H1-M-100 FT 90 mm 100 mm 5 Nm 1186097
1 Штука
Завантаження

Технічний паспорт BS-H1-M-82 FT / 1186082 , 0.24MB , pdf
Завантажити

Завантажити
Завантажити

Декларація відповідності ЄС BS-H1-M-82 FT / 1186082 , 0.10MB , pdf
Завантажити
Декларація відповідності UK BS-H1-M-82 FT / 1186082 , 0.09MB , pdf
REACH Декларація про відповідність BS-H1-M-82 FT / 1186082 , 0.12MB , pdf
RoHS Декларація про відповідність BS-H1-M-82 FT / 1186082 , 0.12MB , pdf

Дозвіл на використання відповідних символів Дозвіл на використання відповідних символів , 0.35MB , pdf
Експертний висновок Експертний висновок , 0.97MB , pdf
Завантажити

BS-H1-M-82 FT / 1186082
Завантажити